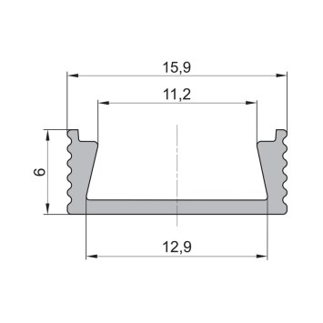
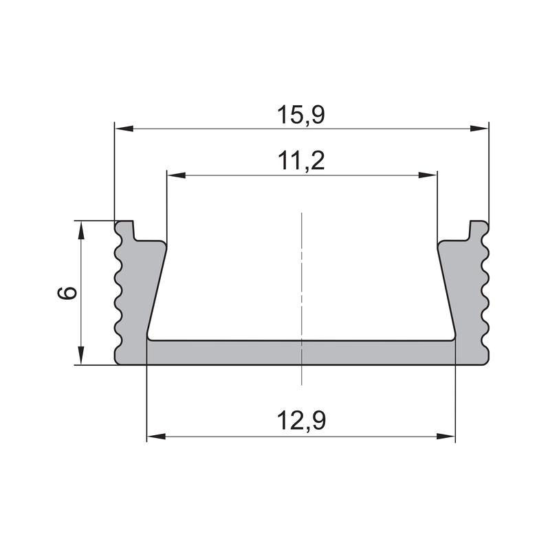
LED povrchový hliníkový profil CC11, čierny, 16x6mm
Povrchový hliníkový profil CC11, čierny, 16x6mm pre LED pásy ...Viac informácií
Rozmer (š x v x h)
16x6
Všetky parametre
Parametre
Rozmer (š x v x h)
16x6
Popis produktu
• hliníkový profil 16mm x 6mm pre LED pásy
• povrchová montáž prostredníctvom klipov, ktoré sa používajú cca každých 50cm
• vhodný ako účinný chladič pre LED pásy s výkonom max 9W/1m
• možnosť použiť mliečny alebo číry difúzor PC-N14 alebo PC-N14-X
• difúzory, koncovky a montážne klipy nie sú v cene profilu
• ALU profily držíme skladom v dĺžke 2m






