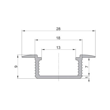
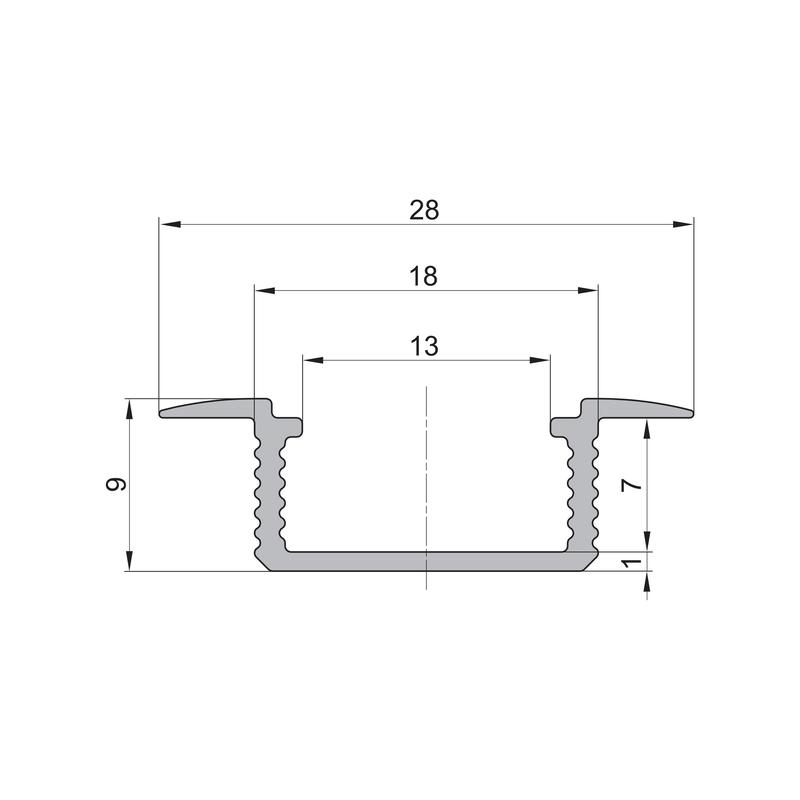
LED zápustný hliníkový profil XC18, strieborný, 28x9mm
Zápustný hliníkový profil XC18, strieborný, 28x9
mm pre LED pásy
...Viac informácií
Rozmer (š x v x h)
28x9
Všetky parametre
Parametre
Rozmer (š x v x h)
28x9
Popis produktu
• hliníkový profil na zafrezovanie 28 x 9mm pre LED pásy
• profil sa vkladá do drážky 18mm x 8,2mm
• vhodný ako účinný chladič pre LED pásy s výkonom max 15W/1m
• možnosť použiť mliečny alebo číry difúzor PC-N16 alebo PC-N16-X
• difúzory a koncovky nie sú v cene profilu
• ALU profily držíme skladom v dĺžke 2m






